loader image

株式会社コンサス株式会社コンサス

loginログイン

Products
製品情報

軽量で扱いやすい、低圧ライン用クランプ

2L 低圧クランプ

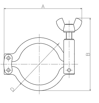
サイズ表

材質ステンレス304
サイズDAB
1S609490
1.25S609490
1.5S609490
2S75110103
2.5S90130108
3S104144114
3.5S
4S131172129

※は別途お問い合わせ下さい。

製品資料ダウンロード

製品資料をダウンロードするには会員登録が必要になります。

mailお問い合わせ

会員登録せずに資料提供を希望される方は以下より
お気軽にお問い合わせください。

mail_outlineお問い合わせ