loader image

株式会社コンサス株式会社コンサス

loginログイン

Products
製品情報

小口径サニタリー配管の、基本継手

MFS ミニヘルール

特徴

POINT
各サイズご準備しております。まずはお問い合わせください。

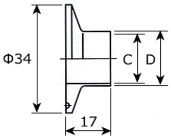
サイズ表

材質ステンレス316L
サイズDC
8A13.810.5
10A17.314
15A21.717.5

製品資料ダウンロード

製品資料をダウンロードするには会員登録が必要になります。

mailお問い合わせ

会員登録せずに資料提供を希望される方は以下より
お気軽にお問い合わせください。

mail_outlineお問い合わせ