スウェーデン規格(SMS)準拠、高品質ユニオン継手

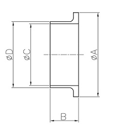
| 材質 | ステンレス304L | ステンレス316L | ||||
|---|---|---|---|---|---|---|
| サイズ | D | C | B | A | 品目番号 | |
| 1S | 25.0 | 22.6 | 7.5 | 35.5 | 190704 | 190994 |
| 1.5S | 38.0 | 35.6 | 9.0 | 55.0 | 190706 | 190996 |
| 2S | 51.0 | 48.6 | 9.0 | 65.0 | 190707 | 190997 |
| 2.5S | 63.5 | 60.3 | 9.0 | 80.0 | 190708 | 190998 |
| 3S | 76.1 | 72.9 | 10.0 | 93.0 | 190709 | 190999 |
| 4S | 101.6 | 97.6 | 12.0 | 127.0 | 31317-0885-1 | 31317-0885-2 |