高真空に対応する、JIS規格VGフランジ


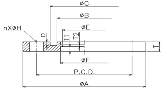
| 材質 | ステンレス304/316L | |||||||||||
|---|---|---|---|---|---|---|---|---|---|---|---|---|
| サイズ | φA | φB | φC | D | φE | φF | T | T1 | T2 | φH | n | P. C. D |
| VG10 | 70 | 24 | 34 | 3 | 15 | 17.5 | 8 | 4 | 1.5 | 10 | 4 | 50 |
| VG20 | 80 | 34 | 44 | 25 | 28 | 60 | ||||||
| VG25 | 90 | 40 | 50 | 32 | 35 | 70 | ||||||
| VG40 | 105 | 55 | 65 | 46 | 49.5 | 10 | 5 | 85 | ||||
| VG50 | 120 | 70 | 80 | 57 | 61 | 2 | 100 | |||||
| VG65 | 145 | 85 | 95 | 73 | 77 | 12 | 120 | |||||
| VG80 | 160 | 100 | 110 | 86 | 90 | 12 | 6 | 135 | ||||
| VG100 | 185 | 120 | 130 | 111 | 115 | 8 | 160 | |||||
| VG125 | 210 | 150 | 160 | 136 | 141 | 185 | ||||||
| VG150 | 235 | 175 | 185 | 161 | 166 | 210 | ||||||
| VG200 | 300 | 225 | 241 | 4.5 | 218 | 216 | 16 | 8 | 3 | 15 | 270 | |