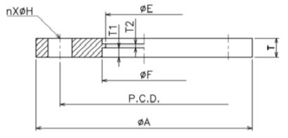
高真空に対応する、JIS規格VFフランジ


| 材質 | ステンレス304/316L | ||||||||
|---|---|---|---|---|---|---|---|---|---|
| サイズ | φA | φE | φF | T | T1 | T2 | φH | n | P. C. D |
| VF10 | 70 | 15 | 17.5 | 8 | 4 | 1.5 | 10 | 4 | 50 |
| VF20 | 80 | 25 | 28 | 60 | |||||
| VF25 | 90 | 32 | 35 | 70 | |||||
| VF40 | 105 | 46 | 49.5 | 10 | 5 | 85 | |||
| VF50 | 120 | 57 | 61 | 2 | 100 | ||||
| VF65 | 145 | 73 | 77 | 12 | 120 | ||||
| VF80 | 160 | 86 | 90 | 12 | 6 | 135 | |||
| VF100 | 185 | 111 | 115 | 8 | 160 | ||||
| VF125 | 210 | 136 | 141 | 185 | |||||
| VF150 | 235 | 161 | 166 | 210 | |||||
| VF200 | 300 | 218 | 216 | 16 | 8 | 3 | 15 | 270 | |