高真空に対応する、信頼性の高いBTフランジ


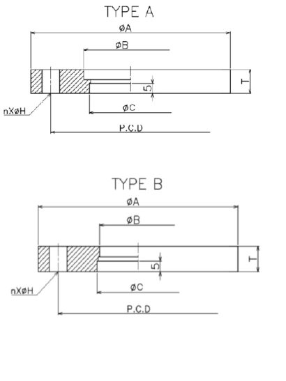
| 材質 | ステンレス304/316L | |||||||
|---|---|---|---|---|---|---|---|---|
| サイズ | タイプ | φA | φB | φC | T | φH | n | P. C. D |
| BT63*50 | A | 130 | 70.2 | 61 | 12 | 9 | 4 | 110 |
| BT63*65 | B | 77 | ||||||
| BT80*65 | A | 145 | 83.2 | 8 | 125 | |||
| BT80*80 | B | 90 | ||||||
| BT100*90 | A | 165 | 102.2 | 102 | 145 | |||
| BT100*100 | B | 115 | ||||||
| BT160*150 | B | 225 | 153.2 | 166 | 16 | 11 | 200 | |
| BT160*153 | A | 153 | ||||||
| BT200*200 | B | 285 | 213.2 | 218 | 12 | 260 | ||
| BT200*203 | A | 204 | ||||||