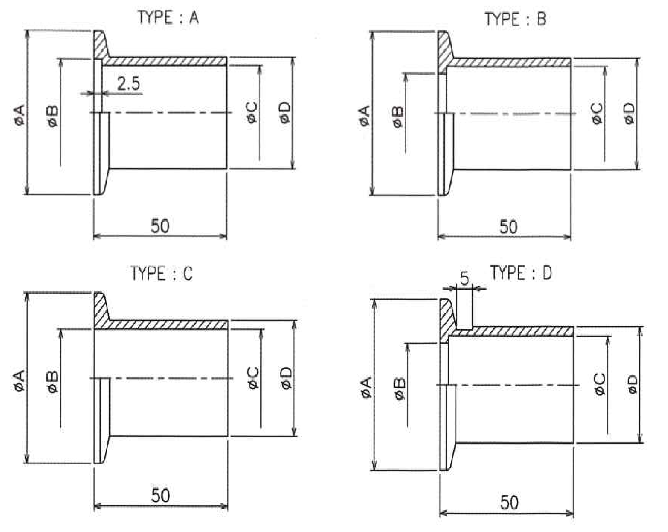
溶接作業がしやすい、ロングタイプのNWフランジ


| 材質 | ステンレス304/316L | |||||
|---|---|---|---|---|---|---|
| サイズ | 溶接部 | タイプ | φA | φB | φC | φD |
| NW10 50L | 突合せ | A | 30 | 12.2 | 10 | 13.8 |
| NW16 50L | B | 30 | 17.2 | 17.5 | 21.7 | |
| NW25 50L | A | 40 | 26.2 | 23 | 27.2 | |
| NW25 50L S/5 | 24 | |||||
| NW40 50L | A | 55 | 41.2 | 37.1 | 42.7 | |
| NW40 50L S/5 | 39 | |||||
| NW50 50L | B | 75 | 52.2 | 54.9 | 60.5 | |
| NW50 50L S/5 | 57.2 | |||||
| NW63 50L | C | 87 | 70.2 | 70.2 | 76.3 | |