Close
login
ログイン
コンサスの強み
製品情報
技術情報
あったらいいなの製品事例
用語説明・技術資料
法規情報
技術情報
あったらいいなの製品事例
用語説明・技術資料
法規情報
お客様サポート
保証と免責
よくある質問
資料請求
お客様サポート
保証と免責
よくある質問
資料請求
会社案内
会社概要
代表メッセージ
海外ネットワーク
受賞・認証
会社案内
会社概要
代表メッセージ
海外ネットワーク
受賞・認証
採用情報
download
カタログDL
mail_outline
お問い合わせ
login
ログイン
download
カタログDL
mail
お問い合わせ
Products
製品情報
HOME
/
製品情報
/
NW-FR 真空用NW異径フランジ
異なるサイズのNWフランジをスムーズに接続
NW-FR 真空用NW異径フランジ
ステンレス製継手
真空配管継手
NW
特徴
POINT
溶接部が異径の特殊フランジです。
POINT
特殊寸法も製作いたします。
POINT
他の材質でも製作可能です。
製品詳細
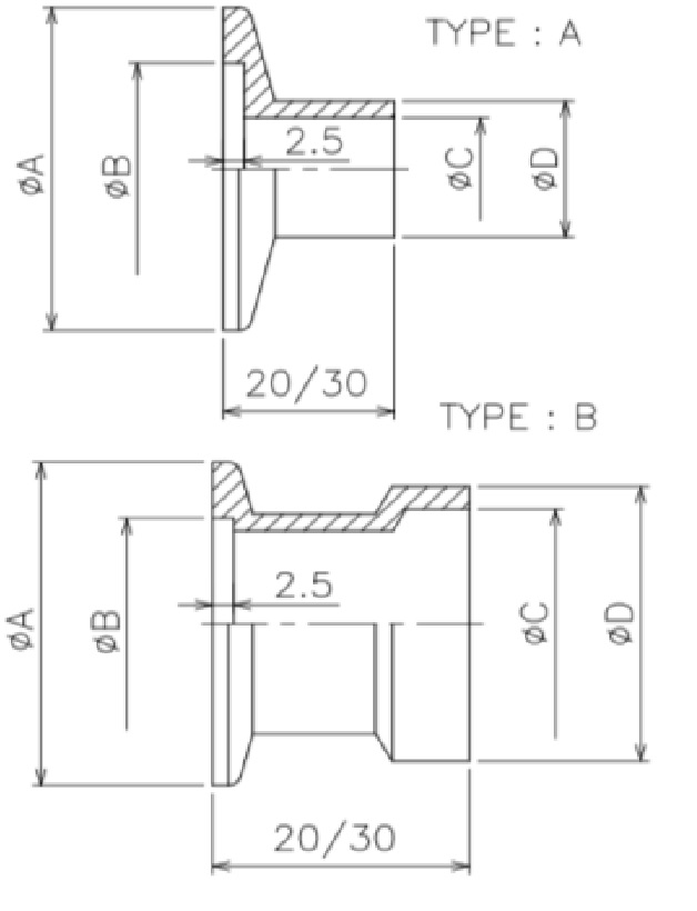
材質
ステンレス304/316L
サイズ
タイプ
φA
φB
φC
φD
NW25*25A 20L
B
40
26.2
28.4
34
NW25*25A 30L
NW40*40A 20L
B
55
41.2
43
48.6
NW40*40A 30L
NW40*20A 20L
A
23
27.2
NW50*32A 20L
A
75
52.2
37.1
42.7
mail
お問い合わせ
会員登録せずに資料提供を希望される方は以下より
お気軽にお問い合わせください。
お問い合わせはこちら
arrow_forward
関連製品
NW-C 真空用NWアルミクランプ
ステンレス製継手
真空配管継手
NW
NW-R 真空用センターリング
ステンレス製継手
真空配管継手
NW
NW-B 真空用NWブランクフランジ
ステンレス製継手
真空配管継手
NW
製品を探す
ステンレス製バルブ
ステンレスボールバルブ
ステンレスバタフライバルブ
ステンレスゲートバルブ
ステンレスグローブバルブ
ステンレスチャッキバルブ
ステンレスダイヤフラムバルブ
エアー駆動バルブ
電動バルブ
その他バルブ
ステンレス製継手
サニタリー継手
溶接
ヘルール
ユニオン
機器類
海外規格継手
3A
DIN
SMS
RJT
真空配管継手
NW
ICF
JIS
ISO
アームロックカップリング
その他
mail_outline
お問い合わせ