異なる口径の真空配管をスムーズに接続


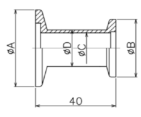
| 材質 | ステンレス304/316L | |||
|---|---|---|---|---|
| サイズ | φA | φB | φC | φD | 
| NW16*NW10 | 30 | 30 | 10 | 14 | 
| NW25*NW10 | 40 | 30 | 10 | 14 | 
| NW25*NW16 | 40 | 30 | 16 | 20 | 
| NW40*NW16 | 55 | 30 | 16 | 20 | 
| NW40*NW25 | 55 | 40 | 24 | 28 | 
| NW50*NW25 | 75 | 40 | 24 | 28 | 
| NW50*NW40 | 75 | 55 | 39 | 44 | 
| NW63*NW50 | 87 | 75 | 54.9 | 60.5 | 
| NW80*NW50 | 114 | 75 | 54.9 | 60.5 | 
| NW100*NW50 | 134 | 75 | 54.9 | 60.5 |