ボルト穴の位置合わせが容易な、回転機構付きフランジ


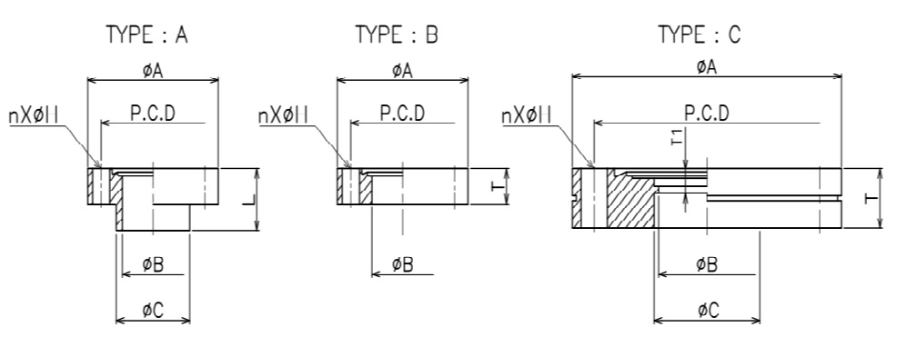
| 材質 | ステンレス304L/316L | ||||||||||
|---|---|---|---|---|---|---|---|---|---|---|---|
| サイズ | タイプ | φA | φB | φC | T | T1 | L | φH | n | P.C.D | 適用パイプ径 |
| ICF34*6 | A | 34 | 6.1 | 17.3 | 7.5 | - | 13.2 | 4.5 | 6 | 27 | 6 |
| ICF34*6.35 | 6.4 | 6.35 | |||||||||
| ICF34*8 | 8.2 | 8 | |||||||||
| ICF34*9.5 | 9.7 | 9.5 | |||||||||
| ICF34*10 | 10.2 | 10 | |||||||||
| ICF34*12.7 | 12.9 | 12.7 | |||||||||
| ICF34*17.3 | B | 14.9 | - | 17.3 | |||||||
| ICF34*19.1 | 16 | 19.1 | 19.1 | ||||||||
| ICF70*25.4 | C | 70 | 23.5 | 26.5 | 12.7 | 5.3 | - | 6.8 | 58.7 | 25.4 | |
| ICF70*27.2 | 25.2 | 27.5 | 27.2 | ||||||||
| ICF70*32 | 30 | 33 | 32 | ||||||||
| ICF70*34 | 32 | 34.3 | 34 | ||||||||
| ICF70*38 | 35.5 | 38.5 | 38 | ||||||||
| ICF70*41 | 38.5 | 41.5 | 41 | ||||||||
| ICF70*42.7 | 41 | 43.1 | 42.7 | ||||||||
| ICF114*60.5 | 114 | 58.5 | 60.8 | 17.5 | 9.5 | 8.5 | 8 | 92.1 | 60.5 | ||
| ICF114*63.5 | 61 | 64 | 63.5 | ||||||||
| ICF152*101.6 | 152 | 97 | 102 | 20 | 11 | 16 | 130.2 | 101.6 | |||
| ICF203*153 | 203 | 148.5 | 153.5 | 22 | 12.5 | 20 | 181 | 153 | |||
| ICF253*203 | 253 | 198.5 | 203.5 | 25 | 24 | 231.8 | 203 | ||||