Close
login
ログイン
コンサスの強み
製品情報
技術情報
あったらいいなの製品事例
用語説明・技術資料
法規情報
技術情報
あったらいいなの製品事例
用語説明・技術資料
法規情報
お客様サポート
保証と免責
よくある質問
資料請求
お客様サポート
保証と免責
よくある質問
資料請求
会社案内
会社概要
代表メッセージ
海外ネットワーク
受賞・認証
会社案内
会社概要
代表メッセージ
海外ネットワーク
受賞・認証
採用情報
download
カタログDL
mail_outline
お問い合わせ
login
ログイン
download
カタログDL
mail
お問い合わせ
Products
製品情報
HOME
/
製品情報
/
ISOSCC 真空用ISOシングルクロークランプ
異なるISOフランジタイプを確実に接続
ISOSCC 真空用ISOシングルクロークランプ
ステンレス製継手
真空配管継手
ISO
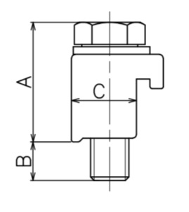
サイズ表
材質
アルミニウム+ステンレス304
サイズ
A
B
C
ボルトサイズ
ISO63
30.4
10
16
M8
ISO80
ISO100
ISO160
31.7
20
M10
ISO200
mail
お問い合わせ
会員登録せずに資料提供を希望される方は以下より
お気軽にお問い合わせください。
お問い合わせはこちら
arrow_forward
関連製品
MFFF 真空用MF穴あきフランジ
ステンレス製継手
真空配管継手
ISO
BTFF 真空用BT穴あきフランジ
ステンレス製継手
真空配管継手
ISO
ISOR 真空用ISOセンターリング
ステンレス製継手
真空配管継手
ISO
製品を探す
ステンレス製バルブ
ステンレスボールバルブ
ステンレスバタフライバルブ
ステンレスゲートバルブ
ステンレスグローブバルブ
ステンレスチャッキバルブ
ステンレスダイヤフラムバルブ
エアー駆動バルブ
電動バルブ
その他バルブ
ステンレス製継手
サニタリー継手
溶接
ヘルール
ユニオン
機器類
海外規格継手
3A
DIN
SMS
RJT
真空配管継手
NW
ICF
JIS
ISO
アームロックカップリング
その他
mail_outline
お問い合わせ