Close
login
ログイン
コンサスの強み
製品情報
技術情報
あったらいいなの製品事例
用語説明・技術資料
法規情報
技術情報
あったらいいなの製品事例
用語説明・技術資料
法規情報
お客様サポート
保証と免責
よくある質問
資料請求
お客様サポート
保証と免責
よくある質問
資料請求
会社案内
会社概要
代表メッセージ
海外ネットワーク
受賞・認証
会社案内
会社概要
代表メッセージ
海外ネットワーク
受賞・認証
採用情報
download
カタログDL
mail_outline
お問い合わせ
login
ログイン
download
カタログDL
mail
お問い合わせ
Products
製品情報
HOME
/
製品情報
/
エアアクチュエーター付ダイヤフラムバルブ GEMU605
高純度プロセスを自動化する、空圧式ダイヤフラムバルブ
エアアクチュエーター付ダイヤフラムバルブ GEMU605
ステンレス製バルブ
ステンレスダイヤフラムバルブ
エアー駆動バルブ
特徴
POINT
耐薬品性のプラスチック製アクチュエーターを搭載
POINT
無菌性に特化しており、バルブ本体や接続部分の隙間や溝を最小限にすることで、コンタミネーションを防ぐ
POINT
リミットスイッチやポジショナー等のアクセサリー類を後から組付け可能なため、柔軟な仕様変更が可能
POINT
FDAやEHEDG等の必須となる各種認証は取得しており、認証書類の提出可能
POINT
各種材質・仕様(ヘルール接続など)に変更可能
POINT
流体温度:-10~100℃ (滅菌温度150℃)
製品詳細
仕様
操作
単作動(NO/NC)、複作動
接続
ヘルール・突合せ溶接
弁箱
ステレンス316L
弁体
ダイアフラム(EPDM・PTFE/EPDMなど)
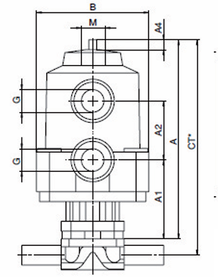
サイズ
8A
BA
100
CT
108.5
B
57
B2
68
ヘルール面間
88.9
G
G1/4
mail
お問い合わせ
会員登録せずに資料提供を希望される方は以下より
お気軽にお問い合わせください。
お問い合わせはこちら
arrow_forward
製品を探す
ステンレス製バルブ
ステンレスボールバルブ
ステンレスバタフライバルブ
ステンレスゲートバルブ
ステンレスグローブバルブ
ステンレスチャッキバルブ
ステンレスダイヤフラムバルブ
エアー駆動バルブ
電動バルブ
その他バルブ
ステンレス製継手
サニタリー継手
溶接
ヘルール
ユニオン
機器類
海外規格継手
3A
DIN
SMS
RJT
真空配管継手
NW
ICF
JIS
ISO
アームロックカップリング
その他
mail_outline
お問い合わせ