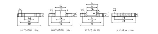
ガスケット座の寸法

| 呼び径 | 平面座(RF) |
| 呼び圧力 |
| 5K | 10K | 20K | 30K | 40K,63K |
| A | g | f | g | f | g | f | g | f | g | f |
| 10 | 39 | 1 | 46 | 1 | 46 | 1 | 52 | 1 | 52 | 1 |
| 15 | 44 | 1 | 51 | 1 | 51 | 1 | 55 | 1 | 55 | 1 |
| 20 | 49 | 1 | 56 | 1 | 56 | 1 | 60 | 1 | 60 | 1 |
| 25 | 59 | 1 | 67 | 1 | 67 | 1 | 70 | 1 | 70 | 1 |
| 32 | 70 | 2 | 76 | 2 | 76 | 2 | 80 | 2 | 80 | 2 |
| 40 | 75 | 2 | 81 | 2 | 81 | 2 | 90 | 2 | 90 | 2 |
| 50 | 85 | 2 | 96 | 2 | 96 | 2 | 105 | 2 | 105 | 2 |
| 65 | 110 | 2 | 116 | 2 | 116 | 2 | 130 | 2 | 130 | 2 |
| 80 | 121 | 2 | 126 | 2 | 132 | 2 | 140 | 2 | 140 | 2 |
| 90 | 131 | 2 | 136 | 2 | 145 | 2 | 150 | 2 | 150 | 2 |
| 100 | 141 | 2 | 151 | 2 | 160 | 2 | 160 | 2 | 165 | 2 |
| 125 | 176 | 2 | 182 | 2 | 195 | 2 | 195 | 2 | 200 | 2 |
| 150 | 206 | 2 | 212 | 2 | 230 | 2 | 235 | 2 | 240 | 2 |
| 175 | 232 | 2 | 237 | 2 | - | - | - | - | - | - |
| 200 | 252 | 2 | 262 | 2 | 275 | 2 | 280 | 2 | 290 | 2 |
| 225 | 227 | 2 | 282 | 2 | - | - | - | - | - | - |
| 250 | 317 | 2 | 324 | 2 | 345 | 2 | 345 | 2 | 355 | 2 |
| 360 | 360 | 3 | 368 | 3 | 395 | 3 | 405 | 3 | 410 | 3 |
注記1 全面座(FF)のD寸法は、下記の表のフランジ外径Dによる。
注記2 フランジの厚さt及びフランジの全長Tは、下記の表による。
※呼び径300Aを超えるものは省略しております。
『JIS B 2220 : 2012』より抜粋
呼び圧力10Kフランジの寸法
単位 mm

| 呼び径 | 接合寸法 | 内径 | ソケット
の深さ | フランジの厚さ | ハブの径
小径側 | ハブの径
大径側 | フランジの
全長 | すみ肉の
半径 |
フランジ
の外径 | ボルト穴
中心円の径 | ボルト穴
の径 | ボルトの
本数 | ボルトの
ねじの呼び |
| D | C | h | d0 | d a)
| S | t | t | A | B | T | r |
| A | SOP, SOH, SW, BL | SOP, SOH, SW | SW | SW | BL以外 | BL | SOH, SW | SOH, SW | SOH, SW | SOH, SW |
| 10 | 90 | 65 | 15 | 4 | M12 | 17.8 | 12.7 | 10 | 12 | 12 | 23 | 26 | 16 | 4 |
| 15 | 95 | 70 | 15 | 4 | M12 | 22.2 | 16.1 | 10 | 12 | 12 | 27 | 30 | 16 | 4 |
| 20 | 100 | 75 | 15 | 4 | M12 | 27.7 | 21.6 | 13 | 14 | 14 | 33 | 36 | 20 | 4 |
| 25 | 125 | 90 | 19 | 4 | M16 | 34.5 | 27.6 | 13 | 14 | 14 | 41 | 44 | 20 | 4 |
| 32 | 135 | 100 | 19 | 4 | M16 | 43.2 | 35.7 | 13 | 16 | 16 | 50 | 53 | 22 | 4 |
| 40 | 140 | 105 | 19 | 4 | M16 | 49.1 | 41.6 | 13 | 16 | 16 | 56 | 60 | 24 | 4 |
| 50 | 155 | 120 | 19 | 4 | M16 | 61.1 | 52.9 | 16 | 16 | 16 | 69 | 73 | 24 | 4 |
| 65 | 175 | 140 | 19 | 4 | M16 | 77.1 | 67.9 | 16 | 18 | 18 | 86 | 91 | 27 | 4 |
| 80 | 185 | 150 | 19 | 8 | M16 | 90.0 | 80.7 | 16 | 18 | 18 | 99 | 105 | 30 | 4 |
| 90 | 195 | 160 | 19 | 8 | M16 | 102.6 | 93.2 | - | 18 | 18 | - | - | - | - |
| 100 | 210 | 175 | 19 | 8 | M16 | 115.4 | 105.3 | - | 18 | 18 | 127 | 130 | 36 | 4 |
| 125 | 250 | 210 | 23 | 8 | M20 | 141.2 | 130.8 | - | 20 | 20 | 154 | 161 | 40 | 4 |
| 150 | 280 | 240 | 23 | 8 | M20 | 166.6 | 155.2 | - | 22 | 22 | 182 | 189 | 40 | 4 |
| 175 | 305 | 265 | 23 | 12 | M20 | 192.1 | 180.1 | - | 22 | 22 | - | - | - | - |
| 200 | 330 | 290 | 23 | 12 | M20 | 218.0 | 204.7 | - | 22 | 22 | - | - | - | - |
| 225 | 350 | 310 | 23 | 12 | M20 | 243.7 | 229.4 | - | 22 | 22 | - | - | - | - |
| 250 | 400 | 355 | 25 | 12 | M20 | 269.5 | 254.2 | - | 24 | 24 | - | - | - | 6 |
| 300 | 445 | 400 | 25 | 16 | M22 | 321.0 | 304.7 | - | 24 | 24 | - | - | - | 6 |
注記 a) 接合する鋼管の内径によって調整する。
※呼び径300Aを超えるものは省略しております。