loader image

株式会社コンサス株式会社コンサス

loginログイン

Products
製品情報

タンクや容器の内部状態を、安全に目視確認

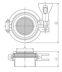
SG-W 覗き窓型サイトグラス

特徴

POINT
タンク・容器等にご使用いただける覗き窓型です。
POINT
可視部材質:テンパックスガラス/強化ガラス/アクリル/その他
POINT
ガラス落下防止用のボルト固定型も製作可能です。
POINT
寸法表にないサイズも製作可能です。

製品詳細

材質ステンレス304/ステンレス316L
ガスケット:シリコン他
サイズABH
1.5S308836
2S409336
2.5S549836
3S6410636
4S9012636

製品資料ダウンロード

製品資料をダウンロードするには会員登録が必要になります。

mailお問い合わせ

会員登録せずに資料提供を希望される方は以下より
お気軽にお問い合わせください。

mail_outlineお問い合わせ