loader image

株式会社コンサス株式会社コンサス

loginログイン

Products
製品情報

フランジ配管を、ワンタッチ接続に

DF フランジカプラー

特徴

POINT
標準のガスケットはNBRです。オプションでその他材質のガスケットもご用意しております。

製品詳細

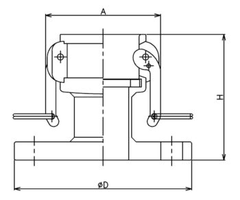
材質ステンレス316
サイズDAH
10K-15A955370
10K-20A1005370
10K-25A1256080
10K-32A13583105
10K-40A14090110
10K-50A15595110
10K-65A175114120
10K-80A185139130
10K-100A210169140

アームロックカップリングの参考使用圧力上限

製品資料ダウンロード

製品資料をダウンロードするには会員登録が必要になります。

mailお問い合わせ

会員登録せずに資料提供を希望される方は以下より
お気軽にお問い合わせください。

mail_outlineお問い合わせ